实时控制框架设计之FPGA端实现

1. 目录结构设计

StateAction.vi

  • 本项目的FPGA端的主程序为main.vi

  • SubVIs文件夹目录中主要包含Configure_AIs、Configure_Module、StateMachine、OutputResults文件夹

  • CLK文件夹中包含系统时钟源

  • FIFO文件夹中为程序建立的FIFO集合

  • 其他文件夹为系统自带新建文件夹,包含一些FPGA资源


2. 各个文件夹及子VI功能介绍

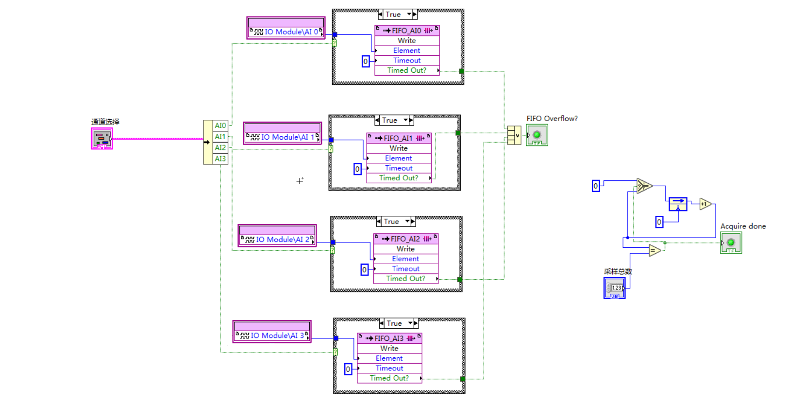
  • Configure_AIs文件夹

    • AI.vi:设置采样通道,采样数目

    • SampleRate.vi:设置采样速率 main.vi第一部分

  • Configure_Module文件夹 checkmodule.vi:设置硬件相关参数

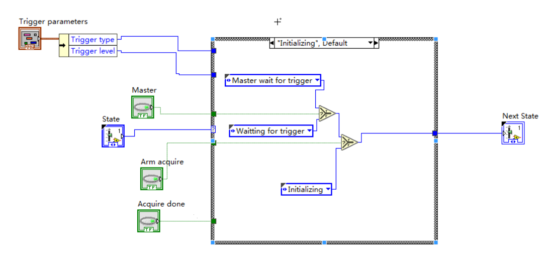
  • StateMachine文件夹

    • StateMachine.vi:进行状态转换 main.vi第二部分

    • StateAction.vi:实现各个状态所需要完成的任务 main.vi第二部分

  • mian.vi:组合上述子VI实现采集功能 main.vi第二部分 main.vi第二部分


本文章使用limfx的vsocde插件快速发布